EMD-8893

Single-particle
4.5 Å
EMD-8893 Deposition: 17/08/2017
Map released: 06/12/2017
Last modified: 18/07/2018
Overview 3D View Sample Experiment Validation Additional data Links
Overview 3D View Sample Experiment Validation Additional data Links

EMD-8893

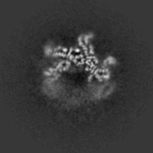
Focused classification map for VSL dimer bridging Subunit C and D of Vps4p-Vta1p complex with peptide binding to the central pore of Vps4p

EMD-8893

Single-particle
4.5 Å
EMD-8893 Deposition: 17/08/2017
Map released: 06/12/2017
Last modified: 18/07/2018
Overview 3D View Sample Experiment Validation Additional data Links
Sample Organism: Saccharomyces cerevisiae
Sample: Vps4-Vta1 complex

Deposition Authors: Han H, Monroe N
The AAA ATPase Vps4 binds ESCRT-III substrates through a repeating array of dipeptide-binding pockets.
Han H , Monroe N , Sundquist WI , Shen PS , Hill CP
(2017) eLife , 6
PUBMED: 29165244
DOI: doi:10.7554/eLife.31324
ISSN: 2050-084X