Happy Holidays and New year from the EMDB! Please be advised that the EMDB team will be operating at reduced capacity between December 15th - January 12th. With this in mind we would ask that you be prepared for longer reply times through both our helpdesk system and the OneDep deposition system. well done on a productive 2025, wishing you all the best and we will see you in 2026!
EMD-48721
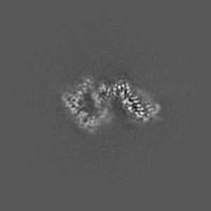
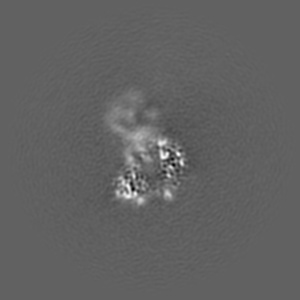
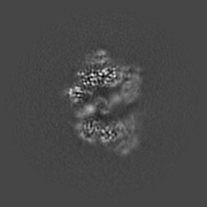
Cryo-EM Structure of HIV-1 Reverse Transcriptase p66 tetramer in Complex with 5-{2-[2-(2-oxo-4-sulfanylidene-3,4-dihydropyrimidin-1(2H)-yl)ethoxy]phenoxy}naphthalene-2-carbonitrile (JLJ648), a Non-nucleoside Inhibitor
EMD-48721
Single-particle3.43 Å
Deposition: 20/01/2025Map released: 10/09/2025
Last modified: 17/09/2025
Sample Organism:
Human immunodeficiency virus 1
Sample: Human immunodeficiency virus 1
Fitted models: 9mxt
Deposition Authors: Hollander K
,
Devarkar SC,
Tang S
,
Ma S,
Xiong Y,
Jorgensen WL,
Anderson KS
Sample: Human immunodeficiency virus 1
Fitted models: 9mxt
Deposition Authors: Hollander K
,
Devarkar SC,
Tang S
,
Ma S,
Xiong Y,
Jorgensen WL,
Anderson KS
Mechanistic basis for a novel dual-function Gag-Pol dimerizer potentiating CARD8 inflammasome activation and clearance of HIV-infected cells.
Hollander K
,
Devarkar SC,
Tang S
,
Tiwari R
,
Ma S,
Lee WG,
Denn E,
Wang Q,
Spasov KA,
Robbins JA,
Frey KM
,
Jorgensen WL,
Xiong Y,
Shan L,
Anderson KS
(2025) Npj Drug Discov , 2 , 22 - 22
,
Devarkar SC,
Tang S
,
Tiwari R
,
Ma S,
Lee WG,
Denn E,
Wang Q,
Spasov KA,
Robbins JA,
Frey KM
,
Jorgensen WL,
Xiong Y,
Shan L,
Anderson KS
(2025) Npj Drug Discov , 2 , 22 - 22
Grant Support:
