Skip to main content

EMBL

was set up in 1974 as Europe’s flagship laboratory for the life sciences – an intergovernmental organisation with more than 80 independent research groups covering the spectrum of molecular biology:
Research:
perform basic research in molecular biology
Services:
offer vital services to scientists in the member states
Training
scientists, students and visitors at all levels
Transfer
and development of technology
Develop
new instruments and methods
Integrating
life science research in Europe

More about EMBL

Six sites

represent EMBL in Europe.

Barcelona

Tissue biology and disease modelling

Grenoble

Structural biology

Hamburg

Structural biology

Heidelberg

Main laboratory

Hinxton

EMBL-EBI: European Bioinformatics Institute

Rome

Epigenetics and neurobiology

  • EMBL
  • Barcelona
  • Hamburg
  • Heidelberg
  • Grenoble
  • Rome
  • Search
  • About us
  • Training
  • Research
  • Services
  • EMBL-EBI
Electron Microscopy Data Bank
Enter your search term(s) in the box below or build an advanced search query

Examples: 1001, Apoferritin, Tomography, Rossmann MG, 5A1A

advanced search

  • Home
  • Deposition
    • Deposit to EMDB
    • Deposit to EMPIAR

    • Guidance
      • Depositing composite maps to EMDB
  • Documentation
  • Resources
  • FTP Archive
  • REST API
  • About
  • Feedback
  • Share
    • Documentation
    • Resources
    • Deposition
      • Deposit to EMDB
      • Deposit to EMPIAR
    • FTP Archive
    • REST API
    • About
    • Feedback
    • Share

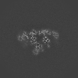
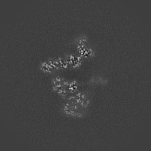
EMD-47983

Single-particle
3.52 Å
EMD-47983
3D View Gallery
Deposition: 20/11/2024
Map released: 03/12/2025
Last modified: 25/02/2026
Overview 3D View Sample Experiment Validation Additional data Links
Overview 3D View Sample Experiment Validation Additional data Links

EMD-47983

Download
3D volume (map.gz) Experimental metadata (xml) Experimental Metadata (cif.gz)
Map-only Validation report (pdf.gz) Map-only Validation report (cif.gz) Map-only Validation report (xml.gz)
Map and PDB model 9eg1 summary report (pdf.gz) Map and 9eg1 FULL report (pdf.gz)
EMICSS annotations (xml)

COP9 signalosome deneddylation complex with cullin-5

EMD-47983

Single-particle
3.52 Å
EMD-47983
3D View Gallery
Deposition: 20/11/2024
Map released: 03/12/2025
Last modified: 25/02/2026
Overview 3D View Sample Experiment Validation Additional data Links
Sample Organism: Homo sapiens
Sample: The complex of human COP9 signalosome with NEDD8 and CSN5i-3
Fitted models: 9eg1

Deposition Authors: Shi H , Zheng N
CSN5i-3 is an orthosteric molecular glue inhibitor of COP9 signalosome.
Shi H , Wang X, Yu C , Mao H, Jiao F, Braitbard M, Shor B, Zhang Z, Hinds TR, Cao S , Fan E, Schneidman-Duhovny D , Huang L , Zheng N
(2026) Nature
PUBMED: 41673158
DOI: doi:10.1038/s41586-026-10129-y
ISSN: 1476-4687
ASTM: NATUAS
Grant Support:
  • Howard Hughes Medical Institute (HHMI): (United States)
×

Searching in EMDBHelp

Field:
Search Filter
×

Share EMDB

EMDB
is a member of
wwPDB wwPDB Foundation
Licensing
Data preservation
EMBL-EBI

EMBL-EBI

Intranet for staff
Services
  • By topic
  • By name (A-Z)
  • Help & Support
Research
  • Publications
  • Research groups
  • Postdocs & PhDs
Training
  • Train at EBI
  • Train outside EBI
  • Train online
  • Contact organisers
Industry
  • Members Area
  • Workshops
  • SME Forum
  • Contact Industry programme
About
  • Contact us
  • Events
  • Jobs
  • News
  • People & groups

EMBL-EBI, Wellcome Genome Campus, Hinxton, Cambridgeshire, CB10 1SD, UK. +44 (0)1223 49 44 44

Copyright © EMBL 2019 | EMBL-EBI is part of the European Molecular Biology Laboratory | Terms of use